Motor Base Type MW8
| Motor Base |
|---|
![]() |
| Type MW 8 |
The RESATEC Motor Base Type MW8 is a universal motor base for friction belt drives of 7.5 to 45 kW motors.
According to the number of belts and belt type, the base can be adjusted in a continuously variable way. It is equipped with two integrated axle stabilisers, a robust and maintenance-free pretensioning device and a screw head bracket for simple and safe one-man installation.
The mounting holes for all motor housing sizes (IEC 160M-225M/NEMA of 254T-365T) are already provided. The use of the RESATEC Motor Base guarantees the optimal belt tension at any time. This means minimum maintenance and maximum efficiency through perfect traction.
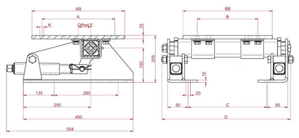
Dimensions
| Type | Motor Frame Size |
Motor Power (approx.) | A | B | K | AB | BB | C | D | E | Weight | |
|---|---|---|---|---|---|---|---|---|---|---|---|---|
| IEC 1000 min −¹ NEMA 1200 min −¹ |
IEC 1500 min −¹ NEMA 1800 min −¹ |
mm | mm | mm | mm | mm | mm | mm | mm | kg | ||
| MW-8-270 | IEC160M | 7.5kW | 11kW | 254 | 210 | 14 | 335 | 350 | 245 | 463 | 38 | 49 |
| IEC160L | 11kW | 15kW | 254 | 254 | 14 | 335 | 350 | 245 | 463 | 38 | 49 | |
| NEMA254T | 7.5hp | 15hp | 254 | 210 | 14 | 335 | 350 | 245 | 463 | 38 | 49 | |
| NEMA256T | 10hp | 20hp | 254 | 254 | 14 | 335 | 350 | 245 | 463 | 38 | 49 | |
| IEC180M | 18.5kW | – | 279 | 241 | 14 | 335 | 350 | 245 | 463 | 38 | 49 | |
| IEC180L | 15kW | 22kW | 279 | 279 | 14 | 335 | 350 | 245 | 463 | 38 | 49 | |
| NEMA284T | 15hp | 25hp | 279 | 241 | 14 | 335 | 350 | 245 | 463 | 38 | 49 | |
| NEMA286T | 20hp | 30hp | 279 | 279 | 14 | 335 | 350 | 245 | 463 | 38 | 49 | |
| MW-8-400 | IEC200L | 18.5/22kW | 30kW | 318 | 305 | 18 | 406 | 390 | 345 | 554 | 55 | 60 |
| NEMA324T | 25hp | 40hp | 318 | 267 | 18 | 406 | 390 | 345 | 554 | 55 | 60 | |
| NEMA326T | 30hp | 50hp | 318 | 305 | 18 | 406 | 390 | 345 | 554 | 55 | 60 | |
| MW-8-500 | IEC225S | 37kW | – | 356 | 286 | 18 | 466 | 420 | 425 | 643 | 72 | 67 |
| IEC225M | 30kW | 45kW | 356 | 311 | 18 | 466 | 420 | 425 | 643 | 72 | 67 | |
| NEMA364T | 40hp | 60hp | 356 | 286 | 18 | 466 | 420 | 425 | 643 | 72 | 67 | |
| NEMA365T | 50hp | 75hp | 356 | 311 | 18 | 466 | 420 | 425 | 643 | 72 | 67 | |
NB: The motor plate of the RESATEC motor base MW 8 is supplied «offset» mounted. Depending on the requirements the motor plate can also be mounted «centrically» above the axis. Corresponding mounting holes are already existing. For an increased angle of inclination (drive at top), the pretension lever(s) can be removed and remounted in a 45° offset position.
Capacity Limits
| V Belt Profile | Width | Height | Pulley Diameter | Initial Operation Test Force F | Operational Test Force F |
|---|---|---|---|---|---|
| mm | mm | mm | N | N | |
| XPZ,SPZ | 10 | 8 | 56-71 | 20 | 16 |
| 75-90 | 22 | 18 | |||
| 95-125 | 25 | 20 | |||
| >125 | 28 | 22 | |||
| XPA,SPA | 13 | 10 | 80-100 | 28 | 22 |
| 106-140 | 38 | 30 | |||
| 150-200 | 45 | 36 | |||
| >200 | 50 | 40 | |||
| XPB,SPB | 16 | 13 | 112-160 | 50 | 40 |
| 170-224 | 62 | 50 | |||
| 236-355 | 77 | 62 | |||
| >355 | 81 | 65 | |||
| XPC,SPC | 22 | 18 | 224-250 | 87 | 70 |
| 265-355 | 115 | 92 | |||
| >375 | 144 | 115 | |||
| Z | 10 | 6 | 56-100 | 5-7.5 | |
| A | 13 | 8 | 80-140 | 10-15 | |
| B | 17 | 10 | 125-200 | 20-30 | |
| C | 22 | 12 | 200-400 | 40-60 | |
| D | 32 | 19 | 355-600 | 70-105 | |
NB: Derive the required deflection for intermediate lengths proportionally from 16 mm/m.

